客户服务热线021-59790073
中文版
English
网站首页
关于沛哲
产品中心
产品3D
视频中心
企业文化
新闻资讯
销售网络
客户案例
联系我们
产品类别
滚筒系列
网带系列
脚蹄系列
链板系列
护栏轨道
衬条垫片
输送机
输送配件
包装机配件
橡塑机加工
其他产品
联系我们
沛哲机械(上海)有限公司
地址:上海市松江区石湖荡镇松蒸公路北侧标准厂房12幢-36
电话:021-59790073
传真:021-59790073
扬州市霈哲机械有限公司
地址:江苏省扬州市高邮城北开发区兴园路E19-1号
电话:0514-84634940
传真:0514-84634940*804
网址:
www.bezelsh.com
邮箱:bezelshh@126.com
产品中心
products
您当前所在的位置:
首页
>>
产品中心
>>
护栏轨道
>>
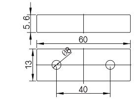
产品名称:C型护栏连接块/护栏连接头
大C护栏连接块 小C护栏连接块
材质:碳钢镀锌;
适用于:大C/小C护栏连接;
关于沛哲
|
产品中心
|
视频中心
|
产品3D
|
企业文化
|
新闻资讯
|
销售网络
|
客户案例
|
联系我们
|
沛哲机械(上海)有限公司 扬州市霈哲机械有限公司
电话:021-59790073 联系人:周小姐 手机:18917959808/15062879494 网址:
www.bezelsh.com
邮箱:bezelshh@126.com
上海地址:上海市松江区石湖荡镇松蒸公路北侧标准厂房12幢-36 扬州地址:江苏省扬州市高邮城北开发区兴园路E19-1号
Copyright 2008- 沛哲机械(上海)有限公司 Bezel Machinery ( Shanghai) Co. Ltd.
沪ICP备11049375号-1
网站设计制作:无锡汇盛